For use with classified enclosure purge and pressurization systems
• Class I Div 1, Groups A, B, C and D
• Class II Div 1, Groups E, F and G
• Class III
HazLoc Cabinet Coolers maintain NEMA 4/4X integrity
• Class I Div 1, Groups A, B, C and D
• Class II Div 1, Groups E, F and G
• Class III
HazLoc Cabinet Coolers maintain NEMA 4/4X integrity
What is an EXAIR HazLoc Cabinet Cooler System?
These Cabinet Cooler Systems are engineered and approved for use upon purged electrical enclosures (not included) found within classified areas. The areas approved are Class I Div 1, Groups A, B, C and D – Class II Div 1 Groups E, F and G - and Class III. EXAIR’s HazLoc Cabinet Cooler Systems have been tested by UL and meet the stringent UL requirements for these areas. Cabinet Cooler systems are a low cost and reliable way to cool purged electric control panels found within these environments. They utilize vortex tube technology to produce up to 5,600 Btu/Hr, with no moving parts, which additionally creates a low maintenance solution for cooling your HazLoc purged cabinets.


Why EXAIR HazLoc Cabinet Cooler Systems?
EXAIR’s HazLoc Cabinet Cooler Systems have been set apart from the competition by achieving the UL classified designation for Div I environments. Thermostatically controlled systems are recommended for the highest efficiency and include UL listed solenoids, also for hazardous environments. EXAIR Cabinet Cooler systems will install on your purged enclosure in minutes, require little to no maintenance and operate under the toughest of industrial conditions. If you require low cost, ease of use and/or reliability – a HazLoc Cabinet Cooler system will meet your needs.
EXAIR Hazardous Location Cabinet Cooler Systems are available in 8 different cooling capacities from 1,000 Btu/Hr. to 5,600 Btu/Hr. This range of cooling allows for choosing the best fit for your cooling needs without placing additional demand upon your air compressor.
Cabinet Cooler Systems protect your electronics from heat, dirt and moisture and keep your processes running. They are the low-cost solution to messy, high maintenance coolant-based air conditioners with simple installation. With modern technology comes an increased number of small electronic components packed into smaller electronic cabinets. This creates a high internal heat load which increases the failures due to heat. Components will fail, sensors will misread, controls can drift and displays become inaccurate. EXAIR HazLoc Cabinet Coolers can solve these problems and prevent lost productivity, shutdown and the expense of new components.
EXAIR Hazardous Location Cabinet Cooler Systems are available in 8 different cooling capacities from 1,000 Btu/Hr. to 5,600 Btu/Hr. This range of cooling allows for choosing the best fit for your cooling needs without placing additional demand upon your air compressor.
Cabinet Cooler Systems protect your electronics from heat, dirt and moisture and keep your processes running. They are the low-cost solution to messy, high maintenance coolant-based air conditioners with simple installation. With modern technology comes an increased number of small electronic components packed into smaller electronic cabinets. This creates a high internal heat load which increases the failures due to heat. Components will fail, sensors will misread, controls can drift and displays become inaccurate. EXAIR HazLoc Cabinet Coolers can solve these problems and prevent lost productivity, shutdown and the expense of new components.
Advantages
• Rated for Div I Hazardous Locations
• UL Classified
• Available in 8 different cooling capacities
• No moving parts, low maintenance
• Thermostat control reduces operating cost
• Large range of cooling capacities up to 5,600 Btu/Hr
• 5 Year warranty
• Low cost
• UL Classified
• Available in 8 different cooling capacities
• No moving parts, low maintenance
• Thermostat control reduces operating cost
• Large range of cooling capacities up to 5,600 Btu/Hr
• 5 Year warranty
• Low cost
Thermostat Control
Each different HazLoc Cabinet Cooler System is ava-ilable with a thermostat control or as a continuous operation system. Each of these systems will include a water-dirt filter separator to prevent water conden-sate and dirt from entering your enclosure and cold air distribution kit used to direct the air for circulation or on to hot spots. HazLoc Cabinet Cooler Systems are also available in Type 316SS for highly corrosive environments.
Safety
EXAIR’s HazLoc Cabinet Cooler Systems are not purged and pressurized control systems and should not be relied upon nor used in place of a purged and pressurized controller. They are meant for use in conjunction with a purged and pressurized control system.
Any control systems and accessories not rated for the hazardous location need to be moved outside of the hazardous area or inside a properly purged and pressurized enclosure which is suitable for the hazardous area.
Any control systems and accessories not rated for the hazardous location need to be moved outside of the hazardous area or inside a properly purged and pressurized enclosure which is suitable for the hazardous area.


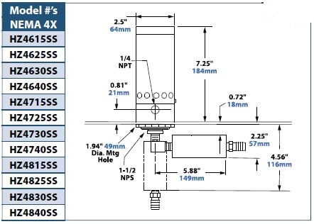
| Cabinet Cooler Only Model # | Continuous Operation Model # | 120V Thermostat Control Model # | 240V | H24VDC Thermostat Control Model # | Capacity | Sound level dBA | |
| Btu/Hr | Kcal/Hr | ||||||
| HZ4615 | HZ4715 | HZ4815 | HZ4815-240 | HZ4815-24VDC | 1,000 | 252 | 73 |
| HZ4625 | HZ4725 | HZ4825 | HZ4825-240 | HZ4825-24VDC | 1,700 | 428 | 80 |
| HZ4630 | HZ4730 | HZ4830 | HZ4830-240 | HZ4830-24VDC | 2,000 | 504 | 80 |
| HZ4640 | HZ4740 | HZ4840 | HZ4840-240 | HZ4840-24VDC | 2,800 | 706 | 82 |
| N/A | HZ4750 | HZ4850 | HZ4850-240 | HZ4850-24VDC | 3,400 | 857 | 84 |
| N/A | HZ4760 | HZ4860 | HZ4860-240 | HZ4860-24VDC | 4,000 | 1,007 | 84 |
| N/A | HZ4770 | HZ4870 | HZ4870-240 | HZ4870-24VDC | 4,800 | 1,209 | 84 |
| N/A | HZ4780 | HZ4880 | HZ4880-240 | HZ4880-24VDC | 5,600 | 1,411 | 85 |
*Cooling capacity at 100 PSIG (6.9 BAR) supply pressure.
| Accessories and Components | |
| Model # | Description |
| 902019 | Hazloc Solenoid NEMA Type 7/9, 1/4 NPT, 120V/60HZ |
| 902020 | Hazloc Solenoid NEMA Type 7/9, 1/4 NPT, 240V/60HZ |
| 902021 | Hazloc Solenoid NEMA Type 7/9, 1/4 NPT, 24VDC |
| 9017 | Thermostat only 24V- 240V, 50/60 Hz |
| 9004 | Automatic Drain Filter Separator, 1/4 NPT, 43 SCFM (1,359 SLPM) |
| 9027 | Oil Removal Filter for all HazLoc Systems, 7-24 SCFM (198-680 SLPM), 1/4 NPT |
| 9005 | Oil Removal Filter for all HazLoc Systems, 15-37 SCFM (425-1,048 SLPM), 3/8 NPT |
| 9006 | Oil Removal Filter for all HazLoc Systems, 50- 150 SCFM (1,416-4,248 SLPM), 3/4 NPT |


